活在当下,做最好的自己!
收藏夹
我的
站内搜索:
高级搜索
首页
>
生物
>
基础知识
>
生物技术实践
探究果胶酶的用量
br>
探究pH对酶活性的影响
<-->
家用洗衣粉
探究果胶酶的用量
〖实验原理〗
在一定的条件下,随着酶浓度的增加,果汁的体积也增加;当酶浓度达到某一数值后,再增加酶的用量,果汁的体积不再改变,此值即是酶的
最适用量
。
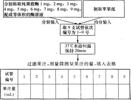
〖实验流程〗
〖注意事项〗
本实验研究的变量是果胶酶的用量,其他因素都应保持不变。实验时可以配制
同体积不同浓度
的果胶酶溶液,也可以配制
同浓度不同体积
的果胶酶溶液。需要注意的是,反应液的温度和pH必须相同,否则将影响实验结果的准确性。
探究pH对酶活性的影响
<-->
家用洗衣粉
全网搜索"探究果胶酶的用量"相关
来顶一下
返回首页
收藏知识
相关知识
无相关信息
发表笔记
共有
条笔记
验证码:
学习笔记(共有
0
条)
开心教练从2004年开始自费开设这个网站. 为了可以持续免费提供这些内容, 为维持网站运营,请大家随意打赏或者点击以下广告,谢谢!,
(微信中可直接长按微信打赏二维码。)
微信
支付宝
开心教练QQ:29443574
1.0
© 2004-2023
91学
(
闽ICP备11019754号-1
)